▌40形支架
型号:
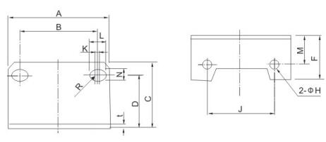
| 型号 | A | B | C | D | F | G | ΦH | J | K | L | N | R | T | 安装螺钉 | 使用型号 |
| B20 | 40 | 27 | 33 | 27 | 18 | 4.5 | 26 | 3 | 8.4 | 14 | 5.4 | 2.7 | 2.3 | M4×8 | AF/AL2000 |
| B340 | 53 | 40 | 39 | 32 | 22.5 | 4.5 | 35 | 1.5 | 8 | 19 | 6.5 | 3.25 | 2.3 | M4×8 | AF/AL3000 |
| B440 | 70 | 54 | 38 | 38 | 31.5 | 5.5 | 47 | 2 | 10.5 | 20 | 8.5 | 4.25 | 2.3 | M5×10 | AF/AL4000 |
| B540 | 70 | 54 | 38 | 38 | 27.5 | 5.5 | 47 | 2 | 10.5 | 20 | 8.5 | 4.25 | 2.3 | M5×10 | AF/AL4000-06 |
| B640 | 90 | 66 | 52 | 52 | 43 | 6.5 | 60 | 2 | 13 | 29 | 11 | 5.5 | 3.2 | M6×10 | AF/AL5000 |
外形尺寸图:
订购码
▌40形支架
型号:
| 型号 | A | B | C | D | F | G | ΦH | J | K | L | N | R | T | 安装螺钉 | 使用型号 |
| B20 | 40 | 27 | 33 | 27 | 18 | 4.5 | 26 | 3 | 8.4 | 14 | 5.4 | 2.7 | 2.3 | M4×8 | AF/AL2000 |
| B340 | 53 | 40 | 39 | 32 | 22.5 | 4.5 | 35 | 1.5 | 8 | 19 | 6.5 | 3.25 | 2.3 | M4×8 | AF/AL3000 |
| B440 | 70 | 54 | 38 | 38 | 31.5 | 5.5 | 47 | 2 | 10.5 | 20 | 8.5 | 4.25 | 2.3 | M5×10 | AF/AL4000 |
| B540 | 70 | 54 | 38 | 38 | 27.5 | 5.5 | 47 | 2 | 10.5 | 20 | 8.5 | 4.25 | 2.3 | M5×10 | AF/AL4000-06 |
| B640 | 90 | 66 | 52 | 52 | 43 | 6.5 | 60 | 2 | 13 | 29 | 11 | 5.5 | 3.2 | M6×10 | AF/AL5000 |
外形尺寸图:
订购码
