HAV2000~5000
XMC
HAV2000~5000
| 使用压力范围: | |
|---|---|
| 线圈额定电压: | |
| 环境及流体温度: | |
| 线圈绝缘等级: | |
| 消耗功率DC: | |
| 状态: | |
▌HAV2000~5000系列 稳定启动电磁阀
符号
型号命名方法:
特性:
稳定启动电磁阀用于系统的安全保护作用。启动初期它只允许少量空气流过(流量可调节),当出口压力达到进口压力的一半时,该阀便完全开启,达到其最大流量。该阀关闭时,残压会通过该阀快速排空。本阀可与空气组合元件模块式连接。
规格:
| 型号 | HAV2000 | HAV3000 | HAV4000 | HAV5000 | ||
| 接管口径 | 1/4 | 3/8 | 1/2 | 3/4 | 1 | |
| 有效截面积 | 1(P)-2(A) | 20 | 37 | 61 | 113 | 122 |
| 2(A)-3(R) | 24 | 49 | 76 | 132 | 141 | |
| 使用压力范围 | 0.3~1.0MPa | |||||
| 环境及流体温度 | 0~60 | |||||
| 线圈额定电压 | DC24,12V,AC220,110V | |||||
| 允许电压波动 | 额定电压的-15%~+10% | |||||
| 线圈绝缘等级 | B级或相同等级 | |||||
| 消耗功率 | 3W | |||||
| 视在功率 | 启动:5.6VA 保持:3.4VA | |||||
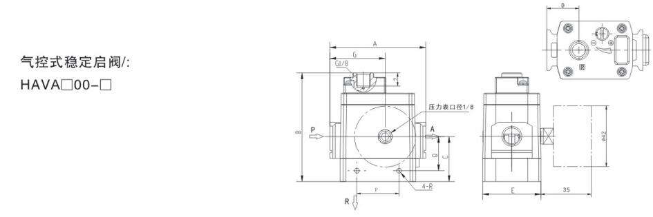
| 气控端盖接口 | G1/8 | |||||
| 气控端最低启动压力 | 0.2MPa | |||||
选型表:
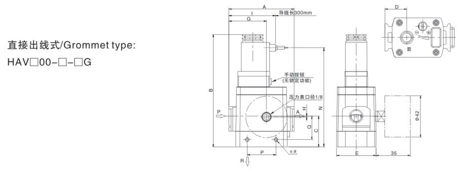
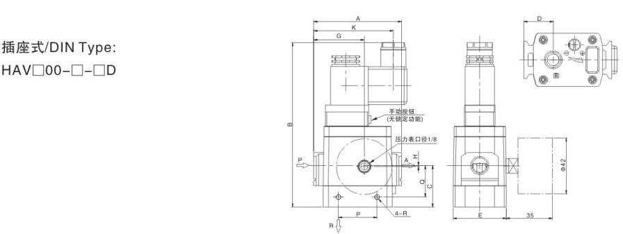
| 型号 | 出线方式 | 口径 | A | B | C | D | E | G | H | I | K | N | P | Q | R |
| HAV2000 | G | 1/4 | 66 | 114 | 31 | 22 | 40 | 38 | 0 | 47 | - | 100 | 29 | 23.5 | M4 深5 |
| D | 124 | - | 60 | - | |||||||||||
| HAVA2000 | - | 75 | - | - | - | ||||||||||
HAV3000 | G | 3/8 | 76 | 121 | 36 | 24 | 48 | 43 | 2 | 50 | - | 107 | 28 | 27.5 | M5 深5 |
| D | 131 | - | 63 | - | |||||||||||
| HAVA3000 | - | 82 | - | - | - | ||||||||||
| HAV4000 | G | 1/2 | 98 | 136 | 47 | 32 | 52 | 57 | 3 | 62 | - | 122 | 42 | 37 | M6 深6 |
| D | 146 | - | 75 | - | |||||||||||
| HAVA4000 | - | 97 | - | - | - | ||||||||||
| HAV5000 | G | 3/4 1 | 128 | 164 | 59 | 39 | 74 | 77 | 0 | 74 | - | 150 | 50 | 46 | M6 深7.5 |
| D | 174 | - | 82 | - | |||||||||||
| HAVA5000 | - | 139 | - | - | - |
外形尺寸图:
订购码
▌HAV2000~5000系列 稳定启动电磁阀
符号
型号命名方法:
特性:
稳定启动电磁阀用于系统的安全保护作用。启动初期它只允许少量空气流过(流量可调节),当出口压力达到进口压力的一半时,该阀便完全开启,达到其最大流量。该阀关闭时,残压会通过该阀快速排空。本阀可与空气组合元件模块式连接。
规格:
| 型号 | HAV2000 | HAV3000 | HAV4000 | HAV5000 | ||
| 接管口径 | 1/4 | 3/8 | 1/2 | 3/4 | 1 | |
| 有效截面积 | 1(P)-2(A) | 20 | 37 | 61 | 113 | 122 |
| 2(A)-3(R) | 24 | 49 | 76 | 132 | 141 | |
| 使用压力范围 | 0.3~1.0MPa | |||||
| 环境及流体温度 | 0~60 | |||||
| 线圈额定电压 | DC24,12V,AC220,110V | |||||
| 允许电压波动 | 额定电压的-15%~+10% | |||||
| 线圈绝缘等级 | B级或相同等级 | |||||
| 消耗功率 | 3W | |||||
| 视在功率 | 启动:5.6VA 保持:3.4VA | |||||
| 气控端盖接口 | G1/8 | |||||
| 气控端最低启动压力 | 0.2MPa | |||||
选型表:
| 型号 | 出线方式 | 口径 | A | B | C | D | E | G | H | I | K | N | P | Q | R |
| HAV2000 | G | 1/4 | 66 | 114 | 31 | 22 | 40 | 38 | 0 | 47 | - | 100 | 29 | 23.5 | M4 深5 |
| D | 124 | - | 60 | - | |||||||||||
| HAVA2000 | - | 75 | - | - | - | ||||||||||
HAV3000 | G | 3/8 | 76 | 121 | 36 | 24 | 48 | 43 | 2 | 50 | - | 107 | 28 | 27.5 | M5 深5 |
| D | 131 | - | 63 | - | |||||||||||
| HAVA3000 | - | 82 | - | - | - | ||||||||||
| HAV4000 | G | 1/2 | 98 | 136 | 47 | 32 | 52 | 57 | 3 | 62 | - | 122 | 42 | 37 | M6 深6 |
| D | 146 | - | 75 | - | |||||||||||
| HAVA4000 | - | 97 | - | - | - | ||||||||||
| HAV5000 | G | 3/4 1 | 128 | 164 | 59 | 39 | 74 | 77 | 0 | 74 | - | 150 | 50 | 46 | M6 深7.5 |
| D | 174 | - | 82 | - | |||||||||||
| HAVA5000 | - | 139 | - | - | - |
外形尺寸图:
订购码
