▌HIR 2000/3000/4000 精密减压阀
符号
型号命名方法:
特性:
1.体积小,重量轻。
2.压力设定精确。
3.调节螺钉的齿间距为0.5mm
4.安装方便,可用托架独立安装与现在的模块式过滤组合元件AF及AFM直接安装。
5.标准型也带面板安装。
6.先导排气口与主排气口分开。
7.可在洁净房使用(特注产品)。
规格:
| 灵敏度 | 在0.2%满度以内 | |
| 重复精度 | 在±0.5%满度以内 | |
| 耗气量 | HIR2000 | 最大3.5L/min(ANR)在1.0MPa压力下 排气口最大3L/min(ANR)在最高设定压力下 |
| HIR3000 | ||
| HIR4000 | ||
| 环境及流体温度 | -5~+60℃(未冻结时) | |
| 最高使用压力 | 1.0MPa | |
| 压力表连接口径 | G1/8 | |
选型表:
| 型号 | 规格 | 配件 | ||||
| 最低使用压力 | 设定压力范围 | 接管口径 | 压力表型号 | 托架型号 | ||
| 标准型 | HIR2000-01 | 设定压力 + 0.05 | 0.01~0.2 | 1/8 | G36-2-01 | B2-IR |
| HIR2010-01 | 0.01~0.4 | G36-4-01 | ||||
| HIR2020-01 | 0.01~0.8 | G36-10-01 | ||||
| HIR3000-02 | 0.01~0.2 | 1/4 | G36-2-01 | B3-IR | ||
| HIR3010-02 | 0.01~0.4 | G36-2-01 | ||||
| HIR3020-02 | 0.01~0.8 | G36-10-01 | ||||
| HIR4000-□ | 设定压力 + 0.1 | 0.01~0.2 | 3/8 ~ 1/2 | G36-2-01 | B4-IR | |
| HIR4010-□ | 0.01~0.4 | G36-4-01 | ||||
| HIR4020-□ | 0.01~0.8 | G36-10-01 | ||||
| 气控型 | HIR3120-02 | 设定压力+0.05 | 0.01~0.8 | 1/4 | G36-10-01 | B3-IR |
| HIR4120-□ | 设定压力+0.1 | 0.01~0.8 | 3/8~1/2 | G36-10-01 | B4-IR | |
安装在模块式过滤组合元件上:
| 适合附属品名称 | 适合型号 | ||
| HIR20□0 | HIR30□0 HIR3120 | HIR40□0 HIR4120 | |
| Φ空气过滤器 | AF2000 | AF3000 | AF4000 |
| ②油雾分离器 | AFM2000 | AFM3000 | AFM4000 |
| ③L型托架 | B210L | B310L | B410L |
| ④T型托架 | B210T | B310T | B410T |
| ⑤隔板 | Y20 | Y30 | Y40 |
| ⑥带L型托架隔板 | Y20L | Y30L | Y40L |
| ⑦带T型托架隔板 | Y20T | Y30T | Y40T |
应用示例:
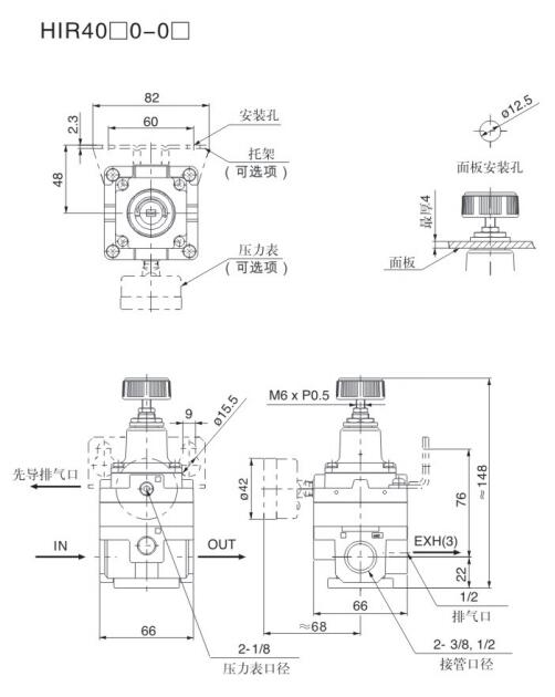
外形尺寸图:
订购码
▌HIR 2000/3000/4000 精密减压阀
符号
型号命名方法:
特性:
1.体积小,重量轻。
2.压力设定精确。
3.调节螺钉的齿间距为0.5mm
4.安装方便,可用托架独立安装与现在的模块式过滤组合元件AF及AFM直接安装。
5.标准型也带面板安装。
6.先导排气口与主排气口分开。
7.可在洁净房使用(特注产品)。
规格:
| 灵敏度 | 在0.2%满度以内 | |
| 重复精度 | 在±0.5%满度以内 | |
| 耗气量 | HIR2000 | 最大3.5L/min(ANR)在1.0MPa压力下 排气口最大3L/min(ANR)在最高设定压力下 |
| HIR3000 | ||
| HIR4000 | ||
| 环境及流体温度 | -5~+60℃(未冻结时) | |
| 最高使用压力 | 1.0MPa | |
| 压力表连接口径 | G1/8 | |
选型表:
| 型号 | 规格 | 配件 | ||||
| 最低使用压力 | 设定压力范围 | 接管口径 | 压力表型号 | 托架型号 | ||
| 标准型 | HIR2000-01 | 设定压力 + 0.05 | 0.01~0.2 | 1/8 | G36-2-01 | B2-IR |
| HIR2010-01 | 0.01~0.4 | G36-4-01 | ||||
| HIR2020-01 | 0.01~0.8 | G36-10-01 | ||||
| HIR3000-02 | 0.01~0.2 | 1/4 | G36-2-01 | B3-IR | ||
| HIR3010-02 | 0.01~0.4 | G36-2-01 | ||||
| HIR3020-02 | 0.01~0.8 | G36-10-01 | ||||
| HIR4000-□ | 设定压力 + 0.1 | 0.01~0.2 | 3/8 ~ 1/2 | G36-2-01 | B4-IR | |
| HIR4010-□ | 0.01~0.4 | G36-4-01 | ||||
| HIR4020-□ | 0.01~0.8 | G36-10-01 | ||||
| 气控型 | HIR3120-02 | 设定压力+0.05 | 0.01~0.8 | 1/4 | G36-10-01 | B3-IR |
| HIR4120-□ | 设定压力+0.1 | 0.01~0.8 | 3/8~1/2 | G36-10-01 | B4-IR | |
安装在模块式过滤组合元件上:
| 适合附属品名称 | 适合型号 | ||
| HIR20□0 | HIR30□0 HIR3120 | HIR40□0 HIR4120 | |
| Φ空气过滤器 | AF2000 | AF3000 | AF4000 |
| ②油雾分离器 | AFM2000 | AFM3000 | AFM4000 |
| ③L型托架 | B210L | B310L | B410L |
| ④T型托架 | B210T | B310T | B410T |
| ⑤隔板 | Y20 | Y30 | Y40 |
| ⑥带L型托架隔板 | Y20L | Y30L | Y40L |
| ⑦带T型托架隔板 | Y20T | Y30T | Y40T |
应用示例:
外形尺寸图:
订购码
