AR1000~5000
XMC
AR1000~5000
| 保证耐压力: | |
|---|---|
| 最高使用压力: | |
| 环境温度: | |
| 调压范围: | |
| 阀型: | |
| 状态: | |
A 系列气源处理元件
▌AR1000~5000 减压阀(R)
符号
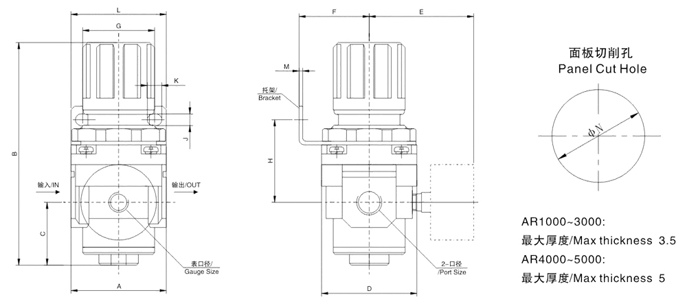
外形尺寸图 (mm)
![]() | |
| AR1000~5000 | |
尺寸表 (mm)
| 型号 | 口径 | A | B | C | D | E | F | G | H | J | K | L | M | N |
| AR1000 | M5 | 25 | 61.5 | 11 | 25 | 26 | 25 | 28 | 30 | 4.5 | 6.5 | 40 | 2 | 20.5 |
| AR2000 | 1/8~1/4 | 40 | 95 | 17 | 40 | 56.8 | 30 | 34 | 44 | 5.4 | 15.4 | 55 | 2.3 | 33.5 |
| AR2500 | 1/4~3/8 | 53 | 102.5 | 25 | 48 | 60.8 | 30 | 34 | 44 | 5.4 | 15.4 | 55 | 2.3 | 33.5 |
| AR3000 | 1/4~3/8 | 53 | 127.5 | 35 | 53 | 60.8 | 39 | 40 | 46 | 6.5 | 8 | 53 | 2.3 | 42.5 |
| AR4000 | 3/8~1/2 | 70 | 149.5 | 37.5 | 70 | 65.5 | 49.2 | 54 | 54 | 8.5 | 10.5 | 70 | 2.3 | 52.5 |
| AR4000-06 | 3/4 | 75 | 154 | 40.5 | 70 | 69.5 | 49.2 | 54 | 55.5 | 8.5 | 10.5 | 70 | 2.3 | 52.5 |
| AR5000 | 3/4~1 | 90 | 168 | 48 | 90 | 75.5 | 49.2 | 54 | 62 | 8.5 | 10.5 | 70 | 2.3 | 52.5 |
结构简图、零件表
![]() | 序号 | 名 称 | 材 料 | ||
| AR1000 | AR2000~3000 | AR4000~5000 | |||
| 1 | 阀体 | 锌压铸件 | 铝压铸件 | ||
| 2 | 阀盖 | 增强尼龙 | 铝压铸件 | ||
| 3 | 膜片 | 橡胶 | |||
| 4 | 阀芯 | 黄铜、橡胶 | |||
| 5 | 弹簧 | 不锈钢 | |||
| 6 | O形圈 | 橡胶 | |||
| 7 | 手轮 | 增强尼龙 | |||
| 8 | O形圈 | 橡胶 | |||
| 9 | O形圈 | 橡胶 | |||
特性
A系列元件包括空气过滤器、减压阀、油雾器及其组合元件,接口螺纹从M5~G1一应俱全,元件结构合理性对其性能有所提高,适用于各种小、中、大型气动系统装置,可替换日系气动元件产品。
规格
| 保证耐压力 /Ensured Pressure Resistance | 1.5MPa (15kgf/cm2) |
| 最高使用压力 /Maximum Working Pressure | 1.0MPa (10kgf/cm2) |
| 环境及流体温度 /Ambient and Fluid Temperature | 5~60℃ |
| 调压范围 /Pressure Regulating Range | AR1000: 0.05~0.7MPa (0.5~7kgf/cm2) AR2000~5000: 0.05~0.85MPa (0.5~8.5kgf/cm2) |
| 阀型 /Valve Type | 带溢流型/With Overflow |
选型表
| 型 号 | 规 格 | 配 件 | ||||
注1) 额定流量(L/min) | 注2) 接管口径(G) | 压力表口径(G) | 重 量(kg) | 托 架 | 压力表 | |
| AR1000-M5 | 100 | M5 | 1/16 | 0.08 | B120 | G27-10-R1 |
| AR2000-01 | 550 | 1/8 | 1/8 | 0.27 | B220 | G36-10-01 |
| AR2000-02 | 1/4 | |||||
| AR2500-02 | 2000 | 1/4 | 1/8 | 0.27 | B220 | |
| AR2500-03 | 3/8 | |||||
| AR3000-02 | 2500 | 1/4 | 1/8 | 0.41 | B320 | |
| AR3000-03 | 3/8 | |||||
| AR4000-03 | 6000 | 3/8 | 1/4 | 0.84 | B420 | G46-10-02 |
| AR4000-04 | 1/2 | |||||
| AR4000-06 | 6000 | 3/4 | 1/4 | 0.94 | ||
| AR5000-06 | 8000 | 3/4 | 1/4 | 1.19 | ||
| AR5000-10 | 1 | |||||
注1)供应压力为0.7MPa (7.1kgf/cm2) 设定压力为0.5MPa (5.1kgf/cm2) 的情况下。
注2)接管口径另有Rc、NPT螺纹可供选择。
订购码
A 系列气源处理元件
▌AR1000~5000 减压阀(R)
符号
外形尺寸图 (mm)
![]() | |
| AR1000~5000 | |
尺寸表 (mm)
| 型号 | 口径 | A | B | C | D | E | F | G | H | J | K | L | M | N |
| AR1000 | M5 | 25 | 61.5 | 11 | 25 | 26 | 25 | 28 | 30 | 4.5 | 6.5 | 40 | 2 | 20.5 |
| AR2000 | 1/8~1/4 | 40 | 95 | 17 | 40 | 56.8 | 30 | 34 | 44 | 5.4 | 15.4 | 55 | 2.3 | 33.5 |
| AR2500 | 1/4~3/8 | 53 | 102.5 | 25 | 48 | 60.8 | 30 | 34 | 44 | 5.4 | 15.4 | 55 | 2.3 | 33.5 |
| AR3000 | 1/4~3/8 | 53 | 127.5 | 35 | 53 | 60.8 | 39 | 40 | 46 | 6.5 | 8 | 53 | 2.3 | 42.5 |
| AR4000 | 3/8~1/2 | 70 | 149.5 | 37.5 | 70 | 65.5 | 49.2 | 54 | 54 | 8.5 | 10.5 | 70 | 2.3 | 52.5 |
| AR4000-06 | 3/4 | 75 | 154 | 40.5 | 70 | 69.5 | 49.2 | 54 | 55.5 | 8.5 | 10.5 | 70 | 2.3 | 52.5 |
| AR5000 | 3/4~1 | 90 | 168 | 48 | 90 | 75.5 | 49.2 | 54 | 62 | 8.5 | 10.5 | 70 | 2.3 | 52.5 |
结构简图、零件表
![]() | 序号 | 名 称 | 材 料 | ||
| AR1000 | AR2000~3000 | AR4000~5000 | |||
| 1 | 阀体 | 锌压铸件 | 铝压铸件 | ||
| 2 | 阀盖 | 增强尼龙 | 铝压铸件 | ||
| 3 | 膜片 | 橡胶 | |||
| 4 | 阀芯 | 黄铜、橡胶 | |||
| 5 | 弹簧 | 不锈钢 | |||
| 6 | O形圈 | 橡胶 | |||
| 7 | 手轮 | 增强尼龙 | |||
| 8 | O形圈 | 橡胶 | |||
| 9 | O形圈 | 橡胶 | |||
特性
A系列元件包括空气过滤器、减压阀、油雾器及其组合元件,接口螺纹从M5~G1一应俱全,元件结构合理性对其性能有所提高,适用于各种小、中、大型气动系统装置,可替换日系气动元件产品。
规格
| 保证耐压力 /Ensured Pressure Resistance | 1.5MPa (15kgf/cm2) |
| 最高使用压力 /Maximum Working Pressure | 1.0MPa (10kgf/cm2) |
| 环境及流体温度 /Ambient and Fluid Temperature | 5~60℃ |
| 调压范围 /Pressure Regulating Range | AR1000: 0.05~0.7MPa (0.5~7kgf/cm2) AR2000~5000: 0.05~0.85MPa (0.5~8.5kgf/cm2) |
| 阀型 /Valve Type | 带溢流型/With Overflow |
选型表
| 型 号 | 规 格 | 配 件 | ||||
注1) 额定流量(L/min) | 注2) 接管口径(G) | 压力表口径(G) | 重 量(kg) | 托 架 | 压力表 | |
| AR1000-M5 | 100 | M5 | 1/16 | 0.08 | B120 | G27-10-R1 |
| AR2000-01 | 550 | 1/8 | 1/8 | 0.27 | B220 | G36-10-01 |
| AR2000-02 | 1/4 | |||||
| AR2500-02 | 2000 | 1/4 | 1/8 | 0.27 | B220 | |
| AR2500-03 | 3/8 | |||||
| AR3000-02 | 2500 | 1/4 | 1/8 | 0.41 | B320 | |
| AR3000-03 | 3/8 | |||||
| AR4000-03 | 6000 | 3/8 | 1/4 | 0.84 | B420 | G46-10-02 |
| AR4000-04 | 1/2 | |||||
| AR4000-06 | 6000 | 3/4 | 1/4 | 0.94 | ||
| AR5000-06 | 8000 | 3/4 | 1/4 | 1.19 | ||
| AR5000-10 | 1 | |||||
注1)供应压力为0.7MPa (7.1kgf/cm2) 设定压力为0.5MPa (5.1kgf/cm2) 的情况下。
注2)接管口径另有Rc、NPT螺纹可供选择。
订购码
