XR4
XMC
XR4
| 调压范围: | |
|---|---|
| 重量: | |
| 环境温度: | |
| 最大工作压力: | |
| 状态: | |
X 系列气源处理元件
▌XR4 减压阀
符号
流量特性曲线 尺寸图 (mm)
特性
该系列元件包括空气过滤器、减压阀、油雾器及其组合元件。1. 接口螺纹为G1/4;2. 元件结构轻巧;3. 特别适用于小型气动装置。
XR4减压阀
| 订货号 /Order No. | XR4 |
| 调压范围 /Pressure Regulating Range | 0.05~0.25MPa 0.05~0.63MPa |
| 重量 /Weight | 0.135kg |
| 环境温度 /Ambient Temperature | 5~60℃ |
| 最大工作压力 /Maximum Working Pressure | 1.0MPa |
订购码
♦ 连接方式 ♦ 二联件连接方式
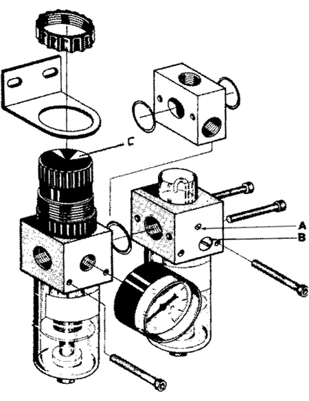
说明: A-调节针阀。调节油量大小。 B-加油孔螺栓。加油时首先切断气源,然后将B拧下加油至规定高度,加油完毕后将B拧上,保证密封。 C-压力调节手轮。调节压力时将C垂直向上提至调节位置,转动C调节至所需压力,然后垂直压下,锁定手轮C,保持压力稳定。 | XFRU4+XL4 |
♦ 三联件连接方式
XF4+XR4+XL4 |
♦ 结构简图
♦ 附件
X 系列气源处理元件
▌XR4 减压阀
符号
流量特性曲线 尺寸图 (mm)
特性
该系列元件包括空气过滤器、减压阀、油雾器及其组合元件。1. 接口螺纹为G1/4;2. 元件结构轻巧;3. 特别适用于小型气动装置。
XR4减压阀
| 订货号 /Order No. | XR4 |
| 调压范围 /Pressure Regulating Range | 0.05~0.25MPa 0.05~0.63MPa |
| 重量 /Weight | 0.135kg |
| 环境温度 /Ambient Temperature | 5~60℃ |
| 最大工作压力 /Maximum Working Pressure | 1.0MPa |
订购码
♦ 连接方式 ♦ 二联件连接方式
说明: A-调节针阀。调节油量大小。 B-加油孔螺栓。加油时首先切断气源,然后将B拧下加油至规定高度,加油完毕后将B拧上,保证密封。 C-压力调节手轮。调节压力时将C垂直向上提至调节位置,转动C调节至所需压力,然后垂直压下,锁定手轮C,保持压力稳定。 | XFRU4+XL4 |
♦ 三联件连接方式
XF4+XR4+XL4 |
♦ 结构简图
♦ 附件
